To convert the digital signal to an analog signal a Digital-to-Analog Converter (DAC) has to be employed.
- The DAC will accept a digital (binary) input and convert it to analog voltage or current.
- Every DAC will have "n" input lines and analog output.
- The DAC requires a reference analog voltage (Vref) or current (Iref) source.
- The smallest possible analog value that can be represented by the n-bit binary code is called resolution.
- The resolution of DAC with n-bit binary input is 1/2nof reference analog value.

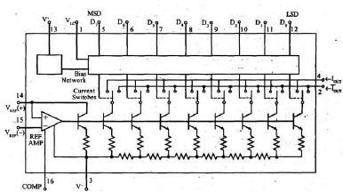
The DAC0800 is an 8-bit, high-speed, current output DAC with a typical settling time (conversion time) of 100 ns.
- It produces complementary current output, which can be converted to a voltage by using a simple resistor load.
- The DAC0800 requires a positive and a negative supply voltage in the range of ± 5V to ±18V.
- It can be directly interfaced with TTL, CMOS, PMOS, and other logic families.
- For TTL input, the threshold pin should be tied to the ground (VLC = 0V).
- The reference voltage and the digital input will decide the analog output current, which can be converted to a voltage by simply connecting a resistor to the output terminal or by using an op-amp I to V converter.
- The DAC0800 is available as a 16-pin IC in DIP.